Регистрация предприятия
Каталог предприятий
Меры поддержки
Новости
Календарь событий
Производственные заказы
Промышленность в цифрах
Инфраструктура поддержки
Контакты
Регистрация предприятия
Ростов-на-Дону,ул. Большая Садовая, 47
econ@rostov-gorod.ru
(863) 242-57-70
Версия для слабовидящих
Вернуться назад
Каталог предприятий
Машиностроение
Легкая промышленность, СИЗ, ТНП
Строительство
Логистика
Наука
Энергетика
Ремонт и монтаж машин и оборудования
Производство мебели и прочих готовых изделий
Производство прочих готовых металлических изделий
Производство лекарственных средств и материалов, применяемых в медицинских целях
Производство пищевых продуктов и напитков
Производство табачных изделий
Производство текстильных изделий, одежды, изделий из кожи
Производство прочих транспортных средств и оборудования
Производство машин и оборудования
Химическое производство
Производство резиновых и пластмассовых изделий
Производство прочей неметаллической минеральной продукции
Металлургическое производство
Производство компьютеров, электронных и оптических изделий
Производство электрического оборудования
Производство бумаги и бумажных изделий
Производство автотранспортных средств, прицепов и полуприцепов
Главная
Производственные заказы
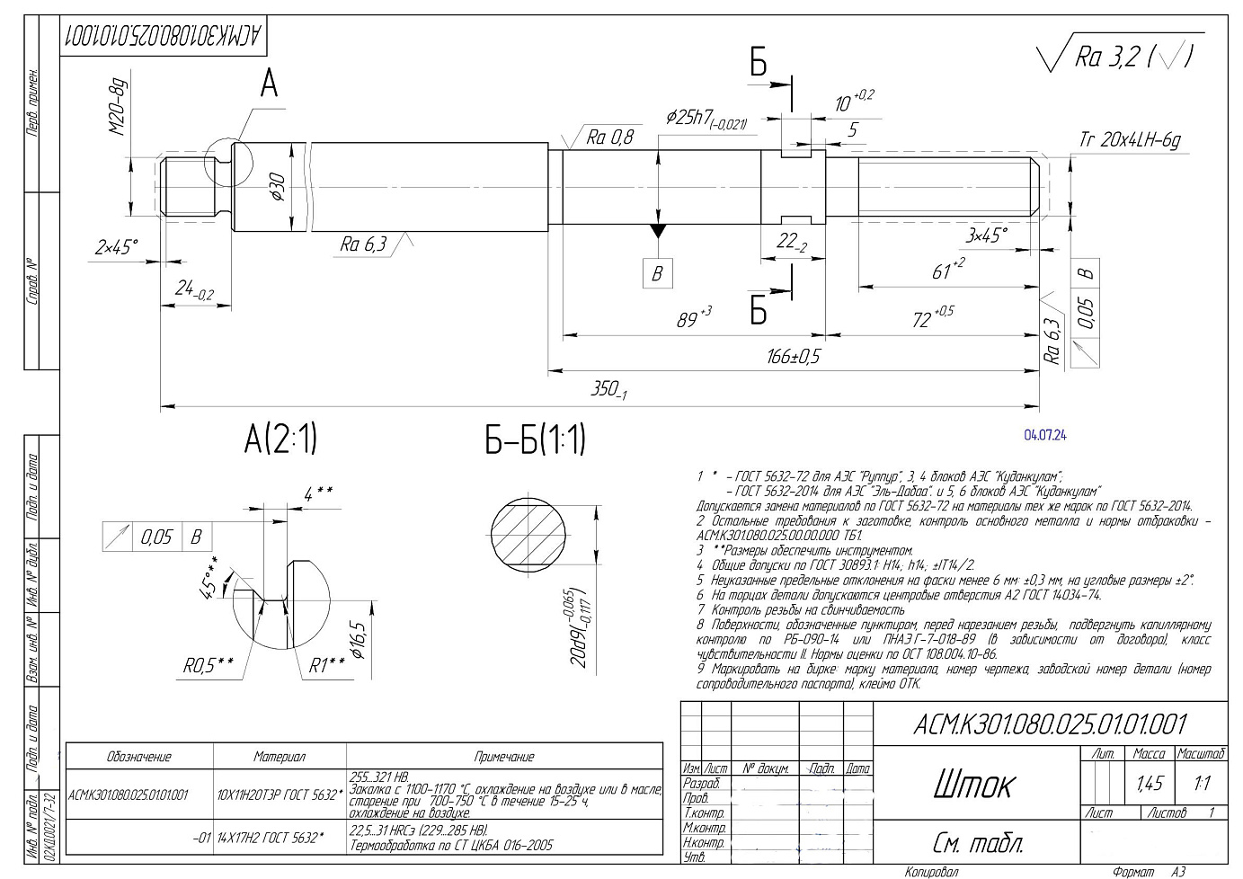
Шток АСМ.КЗ01.080.025.01.01.001
Шток АСМ.КЗ01.080.025.01.01.001
Заказ актуален
На портале с 21.04.2025
Описание
Материал: Сталь 10Х11Н20Т3Р ГОСТ 5632.
давальческого металла заказчика
Заказчик
Ассоциация Металлообрабатывающих Предприятий
+7 (863) 204-22-00
amp@copartner.ru
Скачать все материалы заказа
Отправить запрос